Sprężyny naciskowe
Sprężyny Naciskowe – Siła Precyzyjnie Skalibrowana
Najpopularniejszy nośnik energii w mechanice. Oferujemy sprężyny naciskowe wykonane z najwyższą precyzją, które gwarantują liniową charakterystykę pracy i odporność na "siadanie" nawet po tysiącach cykli.
Sprężyna naciskowa (śrubowa walcowa) ma za zadanie stawiać opór sile ściskającej ją osiowo. Choć wygląda niepozornie, jej jakość decyduje o działaniu zaworów, sprzęgieł, amortyzatorów czy styków elektrycznych. Nasze sprężyny produkowane są zgodnie z rygorystyczną normą DIN 2095 / EN 10270, co oznacza, że deklarowana siła i sztywność są zgodne z rzeczywistością. Oferujemy zarówno asortyment "z półki" (Standard Program), jak i produkcję jednostkową.
Budowa i warianty – Co musisz wiedzieć przed zakupem?
Nie każda sprężyna jest taka sama. W zależności od zastosowania, zwróć uwagę na:
1. Wykończenie końcówek (Zwoje przyłożenia)
To kluczowy parametr dla stabilności sprężyny.
-
Końcówki Szlifowane (Planowane): Stosowane standardowo w sprężynach z drutu powyżej $d \ge 1.0$ mm. Zapewniają prostopadłe ustawienie sprężyny względem podłoża, zapobiegając jej wyboczeniu (krzywieniu się) podczas ściskania.
-
Końcówki Nieszlifowane: Stosowane w mniejszych sprężynach lub tam, gdzie idealna prostopadłość nie jest wymagana. Są tańsze w produkcji.
2. Materiał drutu
-
Stal Węglowa (Drut Muzyczny / Patentowany): Standard SH/DH wg EN 10270-1. Najlepsze właściwości mechaniczne, ale podatny na korozję (wymaga oliwienia).
-
Stal Nierdzewna (1.4310 / AISI 302): Odporna na wilgoć i większość kwasów. Idealna do przemysłu spożywczego, medycznego i elektroniki.
-
Materiały Specjalne: Na zamówienie oferujemy sprężyny z Inconelu (wysoka temperatura) lub brązu fosforowego (niemagnetyczne, przewodzące prąd).
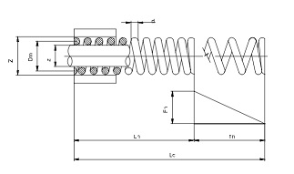
Jak dobrać sprężynę naciskową? (Kluczowe wymiary)
Aby znaleźć odpowiedni produkt w naszej wyszukiwarce, zmierz:
-
Średnica drutu (d): Grubość materiału, z którego zwinięta jest sprężyna.
-
Średnica zewnętrzna (De): Całkowita szerokość sprężyny (musi zmieścić się w gnieździe).
-
Długość swobodna (L0): Długość sprężyny w stanie niesciśniętym.
-
Sztywność (R): Parametr określający, ile siły (N) trzeba użyć, aby ugiąć sprężynę o 1 mm.
Ważne: Sprężyna pracuje poprawnie tylko do pewnego momentu ugięcia ($Ln$). Ściśnięcie jej "na blok" (zwoje stykają się ze sobą) często prowadzi do trwałego odkształcenia lub pęknięcia!
Zastosowanie:
-
Automatyka przemysłowa: Powrót tłoczysk siłowników, amortyzacja uderzeń.
-
Motoryzacja: Zawory silnikowe, mechanizmy zamków, zawieszenia.
-
AGD i Elektronika: Styki baterii, przyciski, mechanizmy drukarek.
-
Narzędziownie: Wypychacze w formach i tłocznikach.
